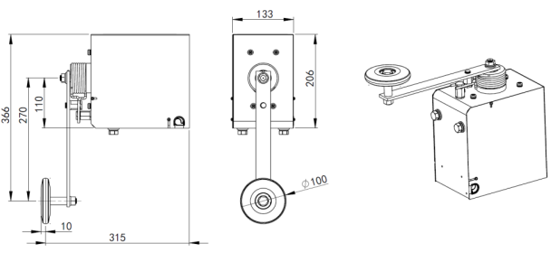
ETS switch, used for speed detection at terminals for medium/high-speed elevator, to ensure the terminal speed meets service requirements.Control the up/down terminal position detection in hoistway.



Copyright ? 2020 上海菱川電器部件有限公司 滬ICP備11035850號 All Rights Reserved